Tap to explore a project
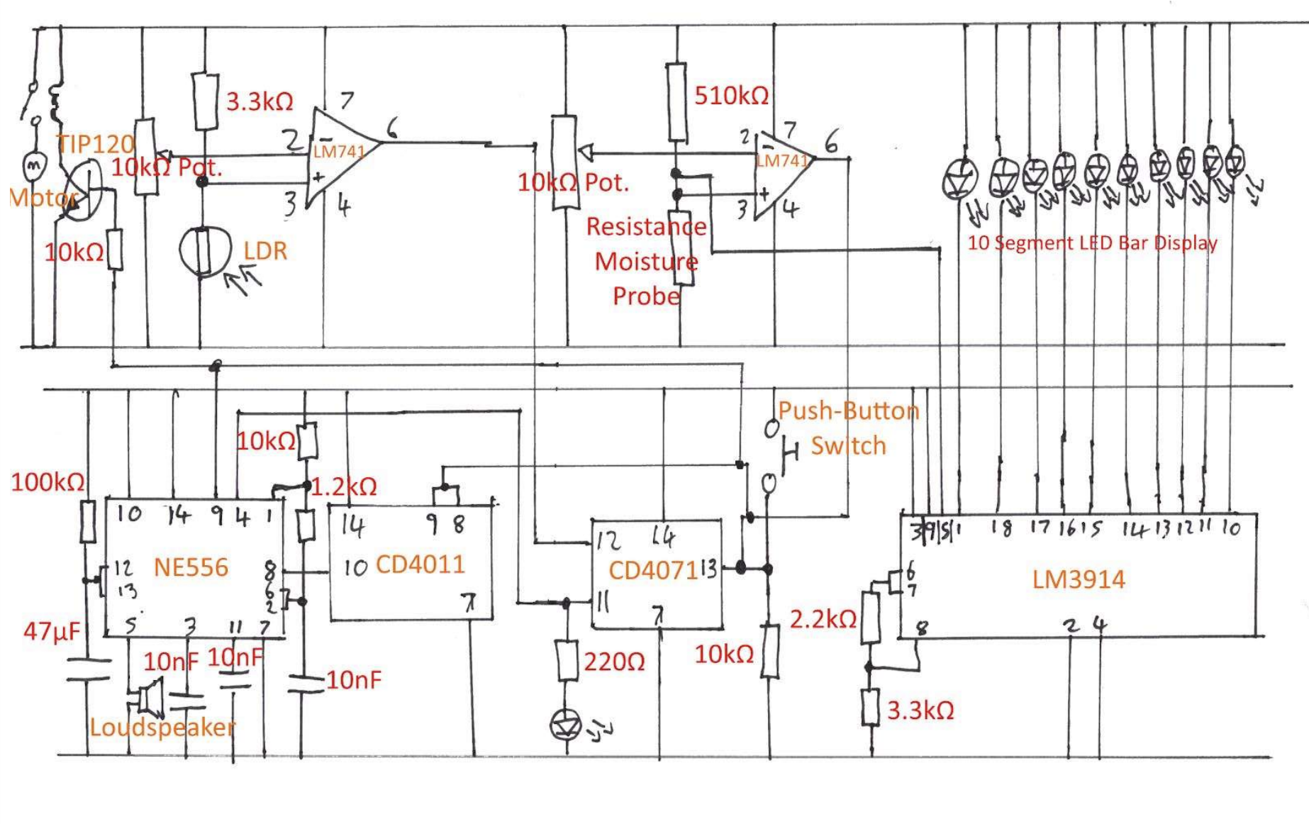
My Electronics coursework was also plant based. Although similar to the 'Biology Plant Monitor' project it was not allowed to use any kind of microcontroller. Instead more barebones microchips were used to perform a similar function. It had an alert if the plant needed water, a moisture level indicator, adjustable settings and a test function.
Full document here.
Completed Circuit Diagram:

Completed Circuit Picture:

Snapshot of user manual:
